JP-UZXK阻旋式料位開關是采用微電機經減速后,帶動檢測葉片以5-6轉/分的轉速旋轉的。當被測物料的料位上升使葉片的轉動受到阻礙時,檢測機構便圍繞主軸產生旋轉位移。此位移使其中一個微動開關動作發出有料信號,隨后另一個微動開關動作,切斷電機電源使其停轉。只要料位不變此種狀態便將一直保持下去。當料位下降檢測葉片失去阻擋時,檢測機構便依靠彈簧拉力恢復原態。阻旋式料位開關首先一個微動開關動作接通電機電源,使其旋轉,隨后另一個微動開關動作發出無料信號,只要沒有物料阻擋檢測葉片的轉動,此種狀態也將一直保持下去。
JP-UZXK系列阻旋式全密封料位控制器采用擺動式傳動系統。電機底座通過彈簧拉住,當系統沒有受阻時,電機轉動,帶動檢測葉片,檢測物料。檢測板受阻時,使主軸受阻而靜止,電機繼續運行,使電機底座拉動彈簧,壓下微動開關,發出有料信號,同時切斷電機電源,電機停止工作。當物位下降時檢板阻力消失,系統在彈簧的拉力下復位,微動開關恢復原始狀態,使電機轉動,同時發出無料信號。
一、阻旋式料位開關產品應用:
1.冶金、化工、石油、電力、食品、造紙、煤炭、建材、醫藥等領域料位的報警和控制;
2.高塵、防爆等特殊環境。
二、阻旋式料位開關產品特性:
1.全新的結構設計,耐銹蝕、防潮、防塵;
2.機械過載保護裝置;
3.不同比重檢測葉片;
4.高溫型可在≤300℃的物料環境下使用。
三、阻旋式料位開關技術參數:
1.用 途:上、下限測量;
2.葉片轉速:5~6轉/分;
3.介質密度:≥0.3g/cm3(較大葉片);
4.環境溫度:(-30~80)℃;
5.供電電源:AC24V、110V、220V、50/60Hz; DC24V;
6.輸 出:開關信號;
7.接 線 口:M18x1.5 M20x1.5(防爆);
8.接點容量:(AC)220V 3A;
9.耗電功率:<5W。
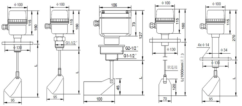
四、產品外形尺寸圖:
1.旋轉葉片式:
2.擺動葉片式:
五、阻旋式料位開關產品選型:
| 尺寸 |
![]() |
||||
| 外形 |
![]() |
![]() |
![]() |
![]() |
![]() |
| 型號 | JP-UZXK-1 | JP-UZXK-2 | JP-UZXK-Y-2 | JP-UZXK-3 | JP-UZXK-R |
2.擺動葉片式:
| 尺寸 |
![]() |
||
| 外形 |
![]() |
![]() |
![]() |
| 型號 | JP-UZXK-M-1 | JP-UZXK-M-2 | JP-UZXK-M-R |
五、阻旋式料位開關產品選型:
| JP-UZXK | 阻旋式料位開關 | |||||
| 葉片形式 | 無 | 旋轉葉片式 | ||||
| M | 擺動葉片式 | |||||
| 安裝方式 | 1 | 法蘭式 | ||||
| 2 | 螺紋式 | |||||
| 安裝方式 | 無 | 常溫型 | ||||
| R | 高溫型 | |||||
| 檢測桿長度 | 口口mm | |||||
| 供電方式 | D | DC 24V | ||||
| A | AC 220V | |||||
| 其它要求 | B | 防腐型防爆(Ex B | ||||









![[list:title]](/uploads/allimg/180721/1-1PH1164G6.jpg)









